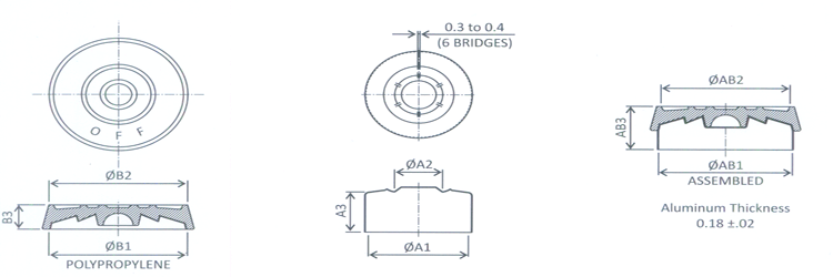
Size |
ØB1 |
ØB2 |
B3 |
ØA1 |
ØA2 |
A3 |
ØAB1 |
ØAB2 |
AB3 |
|||||||||
in mm |
Min |
Max |
Min |
Max |
Min |
Max |
Min |
Max |
Min |
Max |
Min |
Max |
Min |
Max |
Min |
Max |
Min |
Max |
13 |
13.8 |
13.9 |
15.1 |
15.4 |
3.0 |
3.2 |
13.2 |
13.4 |
7.1 |
7.4 |
6.7 |
6.9 |
13.2 |
13.4 |
15.1 |
15.4 |
8.0 |
8.4 |
20 |
20.7 |
20.9 |
22.2 |
22.7 |
3.7 |
3.9 |
20.2 |
20.4 |
9.5 |
9.7 |
7.5 |
7.8 |
20.2 |
20.4 |
22.2 |
22.7 |
9.3 |
9.6 |
32 |
33.3 | 33.5 | 35.9 | 36.5 | 4.48 | 4.52 | 32.6 | 33.0 | 19.2 | 19.6 | 13 | 13.2 | 32.6 | 33.0 | 35.9 | 36.5 | 14.2 | 14.6 |